工程量计算规则
1.混凝土工程。
(1)现浇混凝土拌制工程量,按现浇混凝土浇捣相应子目的混凝土定额分析量计算,如发生相应的运输、泵送等损耗时均应增加相应损耗量。
(2)现浇混凝土浇捣工程量除另有规定外,均按设计图示尺寸实体体积以立方米计算,不扣除构件内钢筋、预埋铁件及墙、板中单个面积0.3m2以内的孔洞所占体积。
① 基础。
a. 基础垫层及各类基础按图示尺寸计算,不扣除嵌入承台基础的桩头所占体积。
b. 地下室底板中的桩承台、电梯井坑、明沟等与底板一起浇捣者,其工程量应合并到地下室底板工程量中套相应的定额子目。
c. 箱式基础应分别按满堂基础、柱、墙及板的有关规定计算,套相应定额项目。墙与顶板、底板的划分以顶板底、底板面为界。边缘实体积部分按底板计算。
d. 设备基础除块体基础以外,其他类型设备基础分别按基础、梁、柱、板、墙等有关规定计算,套相应定额项目。
② 柱:按设计图示断面面积乘以柱高以立方米计算,柱高按下列规定确定。
a. 有梁板的柱高,应按柱基或楼板上表面至上一层楼板上表面之间的高度计算。
b. 无梁板的柱高,应按柱基或楼板上表面至柱帽下表面之间的高度计算。
c. 框架柱的柱高应自柱基上表面至柱顶高度计算。
d. 构造柱按全高计算,与砖墙嵌接部分的体积并入柱身体积内计算。
e. 依附柱上的牛腿和升板的柱帽,并入柱身体积内计算。
③ 梁: 按设计图示断面面积乘以梁长以立方米计算。
a. 梁长按下列规定确定:梁与柱连接时,梁长算至柱侧面;主梁与次梁连接时,次梁长算至主梁侧面。
b. 伸入砌体内的梁头、梁垫并入梁体积内计算;伸入混凝土墙内的梁部分体积并入墙计算。
c. 挑檐、天沟与梁连接时,以梁外边线为分界线。
d. 悬臂梁、挑梁嵌入墙内部分按圈梁计算。
e. 圈梁通过门窗洞口时,门窗洞口宽加500mm的长度作过梁计算,其余作圈梁计算。
f. 卫生间四周坑壁采用素混凝土时,套圈梁定额。
④ 墙:外墙按图示中心线长度,内墙按图示净长乘以墙高及墙厚以立方米计算,应扣除门窗洞口及单个面积0.3㎡以外孔洞的体积,附墙柱、暗柱、暗梁及墙面突出部分并入墙体积内计算。
a. 墙高按基础顶面(或楼板上表面)算至上一层楼板上表面。
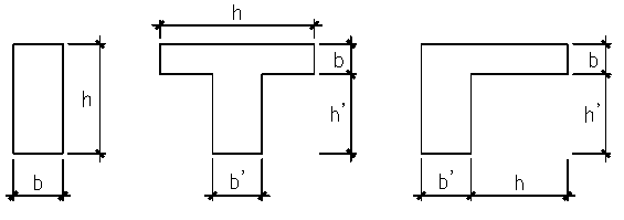
b. 混凝土墙与钢筋混凝土矩形柱、T型柱、L型柱按照以下规则划分:以矩形柱、T型柱、L型柱长边(h)与短边(b)之比r(r=h/b)为基准进行划分,当r≤4时按柱计算;当r>4时按墙计算。如图一:

图一
⑤ 板:按图示面积乘以板厚以立方米计算,其中:
a. 有梁板包括主、次梁与板,按梁、板体积之和计算。
b. 无梁板按板和柱帽体积之和计算。
c. 平板是指无柱、无梁,四周直接搁置在墙(或圈梁、过梁)上的板,按板实体体积计算。
d. 不同形式的楼板相连时,以墙中心线或梁边为分界,分别计算工程量,套相应定额。
e. 板伸入砖墙内的板头并入板体积内计算,板与混凝土墙、柱相接部分,按柱或墙计算。
f. 薄壳板由平层和拱层两部分组成,平层、拱层合并套薄壳板定额项目计算。其中的预制支架套预制构件相应子目计算。
g. 栏板按图示面积乘以板厚以立方米计算。高度小于1200mm时,按栏板计算,高度大于1200mm时,按墙计算。
h. 现浇挑檐天沟,按图示尺寸以立方米计算。与板(包括屋面板、楼板)连接时,以外墙外边线为分界线,与梁连接时,以梁外边线为分界线。
挑檐和雨篷的区分:悬挑伸出墙外500mm以内为挑檐,伸出墙外500mm以上为雨篷。
i. 悬挑板是指单独现浇的混凝土阳台、雨篷及类似相同的板。悬挑板包括伸出墙外的牛腿、挑梁,按图示尺寸以立方米计算,其嵌入墙内的梁,分别按过梁或圈梁计算。
如遇下列情况,另按相应子目执行:
现浇混凝土阳台、雨篷与屋面板或楼板相连时,应并入屋面板或楼板计算。
有主次梁结构的大雨篷,应按有梁板计算。
j. 板边反檐:高度超出板面600mm以内的反檐并入板内计算;高度在600mm至1200mm的按栏板计算,高度超过1200mm以上的按墙计算。
k. 凸出墙面的钢筋混凝土窗套,窗上下挑出的板按悬挑板计算,窗左右侧挑出的板按栏板计算。
⑥空心楼盖BDF管(盒)
a. BDF管空心楼盖的混凝土浇捣按设计图示面积乘以板厚以立方米计算,扣除内模所占体积。
b. BDF管空心楼盖的内模安装按设计图示内模长度以米计算。
c. BDF薄壁盒安装工程量按安装后BDF薄壁盒水平投影面积以平方米计算。
⑦ 整体楼梯:包括休息平台、梁、斜梁及楼梯与楼板的连接梁,按设计图示尺寸以水平投影面积计算,不扣除宽度小于500mm的楼梯井,当整体楼梯与现浇楼板无梯梁连接时,以楼梯的最后一个踏步边缘加300mm为界,伸入墙内的体积已考虑在定额内,不得重复计算。楼梯基础、用以支撑楼梯的柱、墙及楼梯与地面相连的踏步,应另按相应项目计算。如图二:

图二
⑧ 架空式混凝土台阶:包括休息平台、梁、斜梁及板的连接梁,按设计图示尺寸以水平投影面积计算,当台阶与现浇楼板无梁连接时,以台阶的最后一个踏步边缘加下一级踏步的宽度为界,伸入墙内的体积已考虑在定额内,不得重复计算。
⑨ 其他构件。
a. 扶手和压顶按设计图示尺寸实体体积以立方米计算。
b. 小型构件按设计图示实体体积以立方米计算。
c. 屋顶水池中钢筋混凝土构件(如柱、圈梁等)应并入屋顶水池工程量中计算,屋顶水池脚(墩)的钢筋混凝土构件另按相应的构件规定计算。
d. 散水按设计图示尺寸以平方米计算,不扣除单个0.3m2以内的孔洞所占面积。
e. 混凝土明沟按设计图示中心线长度以米计算。混凝土明沟与散水的分界:明沟净空加两边壁厚的部分为明沟,以外部分为散水。
⑨ 后浇带:地下室、梁、板、墙工程量均应扣除后浇带体积,后浇带工程量按设计图示尺寸以立方米计算。
⑩ 钢管顶升混凝土工程量按设计图示实体体积以立方米计算。
⑪
混凝土地面工程量按设计图示尺寸以平方米计算,应扣除凸出地面的构筑物、设备基础、室内管道、地沟等所占面积,不扣除间壁墙、单个0.3m2以内的柱、垛、附墙烟囱及孔洞所占面积,门洞、空圈、暖气包槽、壁龛的开口部分不增加面积。⑫
混凝土地面切缝按设计图示尺寸以米计算。刻纹机刻水泥混凝土地面按设计图示尺寸以平方米计算。(3)构筑物混凝土工程量,按以下规定计算:构筑物混凝土除另规定者外,均按图示尺寸扣除门窗洞口及单个面积0.3m2以外孔洞所占体积后的实体体积以立方米计算。
① 贮水(油)池的池底、池壁、池盖分别按相应定额项目计算。有壁基梁的,应以壁基梁底为界,以上为池壁,以下为池底;无壁基梁的,锥形坡底应算至其上口,池壁下部的八字靴脚应并入池底体积内。无梁池盖的柱高应从池底上表面算至池盖下表面,柱帽和柱座应并在柱体积内。肋形池盖应包括主、次梁体积;球形池盖应以池壁顶面为界,边侧梁应并入球形池盖体积内。
② 贮仓立壁和贮仓漏斗,应以相互交点的水平线为界,壁上圈梁应并入漏斗体积内。
③ 水塔:筒式塔身应以筒座上表面或基础底板上表面为界;柱式(框架式)塔身应以柱脚与基础底板或梁顶为界,与基础板连接的梁应并入基础体积内。塔身与水箱应以箱底相连接的圈梁下表面为界,以上为水箱,以下为塔身。依附于塔身的过梁、雨篷、挑檐等,应并入塔身体积内;柱式塔身应不分柱、梁合并计算。依附于水箱壁的柱、梁,应并入水箱壁体积内。
④ 钢筋混凝土烟囱基础与筒身以室外地面为界,地面以下的为基础,地面以上的为筒身。
⑤ 构筑物基础套用建筑物基础相应定额子目。
⑥ 混凝土标准化粪池按座计算,非标准化粪池及检查井分别按相应定额子目以立方米计算。
(4)预制混凝土构件制作工程量,按以下规定计算。
① 预制混凝土构件制作工程量均按构件图示尺寸实体体积以立方米计算,不扣除构件内钢筋、铁件及单个面积小于300mm×300mm的孔洞所占体积。
② 预制混凝土构件制作子目未包括混凝土拌制,其混凝土拌制工程量按预制混凝土构件制作相应项目的定额混凝土含量(含损耗率)计算,套用现浇混凝土拌制定额子目。
③ 预制混凝土构件的制作废品率按表A.4-2的损耗率计算。
④ 桩。
a. 按桩全长(包括桩尖,不扣除桩尖虚体积)乘以桩断面(空心桩应扣除孔洞体积)以立方米计算。
b. 预制桩尖按虚体积(不扣除桩尖虚体积部分)计算。
2.预制混凝土构件安装及运输。
(1)预制混凝土构件安装均按构件图示尺寸以实体体积按立方米计算。
(2)预制混凝土构件运输及安装损耗:以图示尺寸的安装工程量为基准,损耗率如表A.4-2所示。预制混凝土构件制作、运输及安装工程量可按表A.4-3中的系数计算。其中预制混凝土屋架、桁架、托架及长度在9m以上的梁、板、柱不计算损耗率。
表A.4-2 预制钢筋混凝土构件损耗率表
|
名 称 |
制作废品率 |
运输堆放损耗 |
安装(打桩)损耗 |
|
预制混凝土屋架、桁架、托架及长度在9m以上的梁、板、柱 预制钢筋混凝土桩 其他各类预制构件 |
无 0.1% 0.2% |
无 0.4% 0.8% |
无 已包含在定额内 1% |
表A.4-3 预制钢筋混凝土构件制作、运输、安装工程量系数表
|
名称 |
安装 (打桩) 工程量 |
运输工程量 |
预制混凝土构件制作工程量 |
|
预制混凝土屋架、桁架、托架及长度在9m以上的梁、板、柱 |
1 |
1 |
1 |
|
预制钢筋混凝土桩 |
1 |
1+0.4%=1.004 |
1+0.4%+0.1 %=1.005 |
|
其他各类预制构件 |
1 |
1+1%+0.8 %=1.018 |
1+1%+0.8 %+0.2%=1.02 |
(3) 预制钢筋混凝土工字形柱、矩形柱、空腹柱、双肢柱、空心柱、管道支架等安装,套柱相应的安装子目。
(4)吊车梁的安装,套梁相应的安装子目。
(5)安装预制板时,预制板之间的板缝,缝宽在50mm以内的,已包含在预制板的安装定额内;缝宽在50mm以外时,按相应的混凝土平板计算。
(6)预制混凝土构件的水平运输,可按加工厂或现场预制的成品堆置场中心至安装建筑物的中心点的距离计算。最大运输距离取20km以内;超过时另行计算。
3. 防火组合变压型排气道。
(1)防火组合变压型排气道分不同截面按设计图示尺寸以延长米计算。
(2)防火止回阀按套计算。
(3)不锈钢动力风帽按套计算。
4.钢筋工程。
(1)钢筋工程,应区别现浇、预制、预应力等构件和不同种类及规格,分别按设计图纸、标准图集、施工规范规定的长度乘以单位质量以吨计算。除设计(包括规范规定)标明的搭接外,其他施工搭接已在定额中综合考虑,不另计算。
(2)钢筋接头:设计(或经审定的施工组织设计)采用机械连接、电渣压力焊接时,应按接头个数分别列项计算。
(3)现浇构件中固定位置的支撑钢筋、双层钢筋用的铁马按设计(或经审定的施工组织设计)规定计算,设计未规定时,按板中小规格主筋计算,基础底板每平方米1只,长度按底板厚乘以2再加1m计算;板每平方米3只,长度按板厚度乘以2再加0.1m计算。双层钢筋的撑脚布置数量均按板(不包括柱、梁)的净面积计算。
(4)楼地面、屋面、墙面及护坡钢筋网制作安装,按钢筋设计图示尺寸以平方米计算。
(5)地下连续墙钢筋网片、BDF管空心楼盖的内模抗浮钢筋网片按设计图示尺寸以吨分别列项计算。
(6)先张法预应力钢筋,按设计图示长度乘单位理论质量以吨计算。
(7)预应力钢绞线、预应力钢丝束、后张法预应力钢筋按设计图规定的预应力钢筋预留孔道长度,并区别不同的锚具类型,分别按下列规定计算。
① 低合金钢筋两端采用螺杆锚具时,预应力钢筋按预留孔道长度减0.35m,螺杆另行计算。
② 低合金钢筋一端采用镦头插片,另一端采用螺杆锚具时,预应力钢筋长度按预留孔道长度计算,螺杆另行计算。
③ 低合金钢筋一端采用镦头插片,另一端采用帮条锚具时,预应力钢筋长度按预留孔长度增加 0.15m,两端均采用帮条锚具时预应力钢筋长度共增加0.3m计算。
④ 低合金钢筋采用后张混凝土自锚时,预应力钢筋长度增加0.35m计算。
⑤ 低合金钢筋或钢绞线采用JM型、XM型、QM型锚具,孔道长度在 20m以内时,预应力钢筋长度增加1m;孔道长度 20m以上时预应力钢筋长度增加 1.8m计算。
⑥ 碳素钢丝采用锥形锚具,孔道长在20m以内时,预应力钢丝长度增加 lm;孔道长在20m以上时,预应力钢丝长度增加1.8m。
⑦ 碳素钢丝两端采用镦粗头时,预应力钢丝长度增加0.35m计算。
(8)砌体内的加固钢筋(含砌块墙体砌块中空安放纵向垂直钢筋、墙与柱的拉结筋)工程量按设计图示长度乘单位理论质量以吨计算。
(9)铁件、植筋、化学锚栓按以下规定计算。
① 铁件按设计图示尺寸以吨计算,不扣除孔眼、切肢、切边质量,不规则钢板按外接矩形面积乘以厚度计算。
② 用于固定预埋螺栓、铁件的支架等,按审定的施工组织设计规定计算,分别套相应铁件子目。
③ 植筋工程量分不同的直径按种植钢筋以根计算。
④ 植化学锚栓分不同直径以套计算。